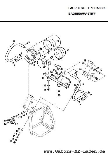
F20. Scheinwerfer Mastiff Alle Preise inkl. gesetzlicher Mehrwertsteuer, zzgl. Versand.

Kugellampe 12V 4W BA9s

Best.-Nr.: 10607-00S
GTIN/EAN: 4056144026662
ET-Nr. MZ: 915236 95-24.737 09907 9524737000

Markenlampe Glüwo Germany
MZ 500 R NR
ET-Katalog-Bild-Nr.: 3

1,80 €
Auf Lager

Federscheibe B5 TGL 0-137

Best.-Nr.: 11140-00S
GTIN/EAN: 4056144027973
ET-Nr. MZ: 94-38.304 29-38.304 9438304000 8171/3050
ET-Nr. Simson: 11316 090176 260306541260306531 9900022918 11311
ET-Nr. AWZ: 9900022067
ET-Nr. ZAK: 1357343005010051 1357343101013068 1357343005013068 1357343101015055


ET-Katalog-Bild-Nr.: 5

GPSR Kontakt: MZA Meyer-Zweiradtechnik GmbH, Zeppelinstr. 1, 98617 Meiningen gpsr@mza.de https://www.mza-vertrieb.de/

0,50 €
Auf Lager

Scheibe 5,3 TGL 0- 125- St

Best.-Nr.: 11645-00S
ET-Nr. MZ: 94-35.865 9435865000
ET-Nr. Simson: 260305523 090299 11132 260305522 9900016366 260305524
ET-Nr. AWZ: 9900016438
ET-Nr. ZAK: 1357311118011070, 1357311003010078, 1357311003011070


ET-Katalog-Bild-Nr.: 5

0,50 €
Auf Lager

Scheibe 8,4 TGL 0-9021-St. DIN 9021

Best.-Nr.: 94-36.142
ET-Nr. MZ: 94-36.142 00-18.211 0018211000 9436142000
ET-Nr. Simson: 090308 11873 260315033 9900134138 9900134170
ET-Nr. AWE: 9900134041
ET-Nr. AWZ: 1357311118141078
ET-Nr. ZAK: 1357311003141078


ET-Katalog-Bild-Nr.: 9

0,50 €
Auf Lager

Distanzhülse 12x9x8

Originalersatzteil
Best.-Nr.: 9021154000
ET-Nr. MZ: 90-21.154


ET-Katalog-Bild-Nr.: 11

4,76 €
5-10 Werktage Lieferzeit

Scheibe 8,4 TGL 0-125 St

Best.-Nr.: 00-70.801
ET-Nr. MZ: 00-70.801 94-44.586 00-10.801 090302 94-44.585 9444585655 9444585000 94-44.587 9444587000 9444586000 94-44.586
ET-Nr. Simson: 2603315033 26030554 980302 11143 260305543 11267 260318022 9900016382 9900447098 11144
ET-Nr. AWZ: 9900016454
ET-Nr. ZAK: 1357311003011003 1357311118011097 1357311006010094


ET-Katalog-Bild-Nr.: 13

0,40 €
Auf Lager

Gummibuchse 24x12x17

Originalersatzteil
Best.-Nr.: 3634001000
ET-Nr. MZ: 36-34.001


ET-Katalog-Bild-Nr.: 19

11,66 €
5-10 Werktage Lieferzeit