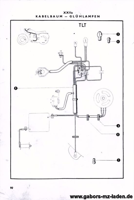
22a. Kabelbaum, Glühlampen Az árak az ÁFÁ-t tartalmazzák, a postaköltséget nem.

Izzó Bilux 6V 35/35W BA20d 6033

Cikkszám: 10251-00S
GTIN/EAN: 4056144026570
Gyári szám MZ: 01-1006 3981 MB622
Gyári szám Simson: 090547 9900524038
Gyári szám ZAK: 1375300249521212

Glüwo Germany
Alkatrész katalógus képszám: 3

GPSR Kontakt: MZA Meyer-Zweiradtechnik GmbH, Zeppelinstr. 1, 98617 Meiningen gpsr@mza.de https://www.mza-vertrieb.de/

4,50 €
Raktáron