G08 Antriebswelle Alle Preise inkl. gesetzlicher Mehrwertsteuer, zzgl. Versand.

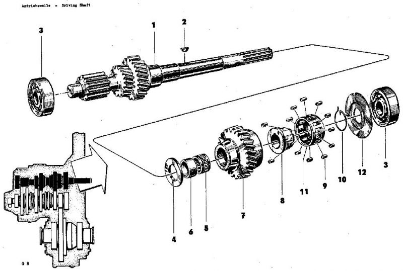
Scheibenfeder 4x5 für Rotor

Originalersatzteil
Best.-Nr.: 16232-00M
GTIN/EAN: 4056144029441
ET-Nr. MZ: 94-44.062 81-46.570 246-570 3319
ET-Nr. AWZ: 9900139046
ET-Nr. ZAK: 1357362003170063

ETZ 125,150
ET-Katalog-Bild-Nr.: 2

GPSR Kontakt: MZA Meyer-Zweiradtechnik GmbH, Zeppelinstr. 1, 98617 Meiningen gpsr@mza.de https://www.mza-vertrieb.de/

1,60 €
Auf Lager

Antriebsrad 4. Gang

Originalersatzteil
Best.-Nr.: 0300346105
ET-Nr. AWZ: 0300346105
ET-Nr. ZAK: 1353932005123603


ET-Katalog-Bild-Nr.: 7

14,50 €
Auf Lager